Technical data
| Working range Ø | 0.079–0.63″ |
| Working range Ø | 0.079–0.63″ |
| Wendeplattenhalter | Wendeplatten | Schneidenlage | Arbeitsbereich |
| W01 B5.0 | Wagner W01 | 89° | 1–16 mm |
| Z5.0 SCMT90 | ISO SCMT09T3 | 89° | 1–16 mm |
| Z5.0 CCGT90 | ISO CCMT09T3 | 90° | 1–16 mm |
| Z5.0 SCMT45 | ISO SCMT09T3 | 45° | 2–25 mm (Fasen) |
| Z5.0 TCMT16-30 | ISO TCMT16T3 | 30° | 2–30 mm (Fasen) |
mm (Inch)
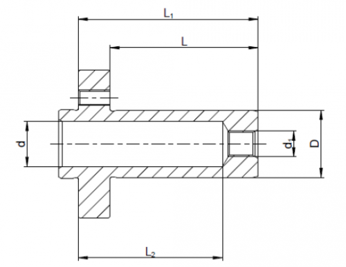
| Schaft-Ø D | d mm | d1 | L mm | L1 mm | L2 mm |
| 16 | 10.2 | R1/8" | 46 | 58 | 47.5 |
| 19.05 (3/4") | 12.2 | R1/8" | 46 | 58 | 47.5 |
| 20 | 12.2 | R1/8" | 46 | 58 | 47.5 |
| 25 | 17 | R3/8" | 50 | 62 | 46 |
| 25.4 (1") | 17 | R1/8" | 56 | 68 | 54.5 |
| 35 | 10 | R1/2" | 80 | 92 | 62 |
| 40 | 16.2 | M6 | 120 | 132 | 57.5 |
| VDI20 | 16.5 | – | 40 | 55 | 14.5 |
| VDI25 | 16.2 | – | 48 | 65 | 22.5 |
| VDI30 | 16.2 | – | 55 | 72 | 57.5 |