Mehrschneiden-Drehsysteme
| Wendeplattenhalter | Wendeplatten | Schneidenlage | Arbeitsbereich |
| W01 B5.0 | Wagner W01 | 89° | 1–16 mm |
| Z5.0 SCMT90 | ISO SCMT09T3 | 89° | 1–16 mm |
| Z5.0 CCGT90 | ISO CCMT09T3 | 90° | 1–16 mm |
| Z5.0 SCMT45 | ISO SCMT09T3 | 45° | 2–25 mm (Fasen) |
| Z5.0 TCMT16-30 | ISO TCMT16T3 | 30° | 2–30 mm (Fasen) |
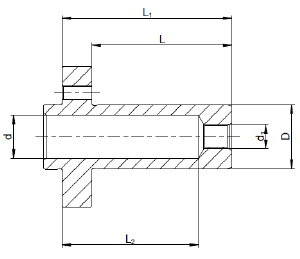
Abbildung:
Schaftmaße siehe Tabelle

| Schaft-Ø D mm (Zoll) | d mm | d1 | L mm | L1 mm | L2 mm |
| 12 | 5 | M6 | 34 | 46 | 38 |
| 16 | 7 | G1/8″ | 48 | 60 | 48 |
| 19,05 (3/4″) | 12,2 | G1/8″ | 46 | 58 | 47,5 |
| 20 | 12,2 | G1/8″ | 46 | 58 | 47,5 |
| 22 | 12,2 | G1/8″ | 46 | 58 | 47,5 |
| 25,4 (1″) | 12,2 | G1/8″ | 56 | 68 | 54,5 |
| Sonderschäfte auf Anfrage |


