Mehrschneiden-Drehsysteme
| Wendeplattenhalter | Wendeplatten | Schneidenlage | Arbeitsbereich |
| Z5.1 CCGT 90 | ISO SCMT0602 | 90° | 1–12 mm |
Abbildung:
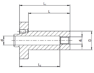
Schaftmaße siehe Tabelle

| Schaft-Ø D mm (Zoll) | d mm | d1 | L mm | L1 mm | L2 mm |
| 12 | 5 | M6 | 34 | 46 | 38 |
| 16 | 7 | G1/8″ | 48 | 60 | 48 |
| 19,05 (3/4″) | 12,2 | G1/8″ | 46 | 58 | 47,5 |
| 20 | 12,2 | G1/8″ | 46 | 58 | 47,5 |
| 22 | 12,2 | G1/8″ | 46 | 58 | 47,5 |
| 25,4 (1″) | 12,2 | G1/8″ | 56 | 68 | 54,5 |
| Sonderschäfte auf Anfrage |


